Как установить смеситель на кухонную раковину
Содержание
- Практичность – главный показатель
- Подготовка к установке
- Как снять старый смеситель
- Поэтапная сборка
- Соединение с мойкой
- Как установить на столешнице
- Гаечный крепеж
- Фиксация шпилькой
- Завершающая стадия
- Видео
Если обратиться к официальному дилеру «АкваСан», от сотрудников можно получить любую консультацию относительно сантехнических приборов более чем 1000 наименований. Компания тесно связана с производителями товаров и гарантирует его качество, доставит заказ или укажет на удобный вариант самовывоза.
Практичность – главный показатель
На кухню можно купить вместо, вышедшего из строя сантехнического прибора, вентильное устройство. Только нужно сразу настроиться на ремонт. У таких приспособлений возникают чаще протечки, чем у однорычажных моделей.
В изделиях с одним рычагом легко управлять напором и температурой жидкости, не придется для подачи воды открывать 2 вентиля, регулировать нужный подогрев. Появилась в продаже сенсорная новинка. Хозяину стоит протянуть руку, и вода автоматически начнет поступать. Эти приборы остаются пока сложными и дорогими, выбор же за потребителем.
Подготовка к установке
Дома чаще всего уже есть необходимый набор слесарных инструментов, если сразу проверить комплект не придется отрываться от работы на поиск:
- крестообразной или плоской отвертки;
- разводных и торцевых ключей;
- герметиков;
- наждачной бумаги;
- пассатижей.
Крепежные элементы и гибкие проводники обычно продают вместе с выбранным сантехническим изделием. Комплектацию проверяют, сразу не отходя от кассы на наличие:
- уплотнителей;
- шайб;
- шпилек.
Ответ на вопрос - как поставить смеситель на раковину на кухне, зависит от параметров мойки и размеров:
- расстояния стены от оборудования;
- отверстий под установку крана;
- изливных элементов.
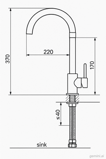
Определяют нужную пользователю высоту излива, чтобы не было препятствий при постановке в мойку высоких кастрюль. Отсутствовали брызги на стенах и полу. Поворот крана был удобным на 90 град. или все 360.
Как снять старый смеситель
Обычно задачу, как прикрепить смеситель к раковине на кухне, решают съемом сломанного и установкой нового.
Для демонтажа:
- отключают воду;
- сливают из системы жидкость;
- выясняют точки, соединяющие водопровод с устройством;
- отсоединяют гибкий шланг;
- удобно разворачивают мойку, чтобы был доступ к креплениям;
- ослабляют гайку на резьбе;
- выкручивают шпильку;
- снимают зажим;
- удаляют крепежные элементы и сантехнический прибор.
Прежде чем к новому прибору прикрутить патрубки проверяют прокладки, они должны быть целыми и стоять на своих местах.
Поэтапная сборка
Открыв коробку с изделием, еще раз сверяются с комплектацией купленного устройства. Есть ли гибкие шланги и детали для крепления в виде:
- резинового кольца;
- шайбы;
- уплотнителя;
- шпилек с гайками.
Чтобы подвести воду нужно подсоединить шланг. Резиновые манжеты перед применением должны быть мокрыми, тогда они не повредятся.
В процессе сборки происходит:
- установка крепежных шпилек;
- монтаж уплотнительного резинового кольца;
- каждый шланг продевают через отверстие в мойке.
В комплекте со смесителем находится инструкция, где сказано, что не нужно с силой прикручивать гусак с остальными запчастями. Все детали навинчивают рукой, если используется ключ не стоит переусердствовать, чтобы не сорвать резьбу или повредить хромированное покрытие.
Соединение с мойкой
Следует учесть, что функция кольцевого сальника сугубо защитная, она предохраняет от протечек. Приступают к монтажу:
- устанавливают прокладку в основание крана;
- гибкий рукав находится в монтажном отверстии;
- крепят резиновый уплотнитель с одинаковыми по форме металлическими прижимными пластинами;
- прикручивают резьбовые штыри;
- фиксируют прибор гайками.
После выяснения как крепится смеситель к раковине на кухне, все действия проводят в соответствии с инструкцией, тогда гусак не будет вибрировать, двигаться, а герметичные стыки создадут условия для долгого срока службы устройства.
Как установить на столешнице
При монтаже сантехники в столешницу предусматривают удобное расположение всех элементов. Пользователь не должен с трудом дотягиваться до излива и с проблемами управлять подачей воды.
Для производства:
- определяют место установки;
- прикладывают кран к столу, чтобы сделать разметку отверстий;
- высверливают посадочные гнезда;
- укладывают уплотнитель;
- устанавливают кран;
- фиксируют крепежным элементом.
Если сантехнический прибор будет находиться на столе, нужно учесть расстояние излива до чаши. Оно не должно быть маленьким и не затруднять управлением вентилей. При удаленном размещении вода станет попадать на столешницу.
Смеситель рекомендуют монтировать в жестком соединении с поперхностью, такая процедура увеличивает качество обслуживания и сроки.
Выполняют монтаж по алгоритму:
- в гусак вкручивают угловую иглу;
- ставят прокладку, отделяющую раковину от смесителя;
- кладут устройство в соответствии с монтажными отверстиями;
- нижнюю часть герметизируют, уплотняют, установив резиновое кольцо;
- иглу вкручивают до конца;
- лишнюю трубу срезают и фиксируют зажимными муфтами.
Для оборудования существуют 2 способа крепления с помощью шпилек или гаек.
Гаечный крепеж
Чтобы подсоединить подводку прибор должен иметь основание с широкой цилиндрической частью, там накручена резьба. Туда будет навинчиваться крепеж. Патрубок можно присоединить после монтажа смесителя.
В целом процедура включает действия:
- устанавливают в углубление под основанием прокладку, она выглядит как тонкое кольцо;
- резьбовую часть вставляют в посадочное гнездо;
- укладывают еще один, нижний уплотнитель, плоский и широкий;
- накручивают метиз.
Носик прибора направляют на передний край раковины. После установки гусак будет поворачиваться под одинаковым углом. Если оборудование установили в углу раковины, регулируют поворот в соответствии с диагональю чаши. Когда прикручивают шланги, вначале выбирают короткий штуцер, длинный идет в последнюю очередь. В этом случае герметизацию не выполняют, так как защиту обеспечат уплотнительные кольца, которые имеются в штуцерах. Затягивание проводится с осторожностью, чтобы не повредить прокладку.
Фиксация шпилькой
Шпильками крепят устройства только в мойках с толстой чашей, не меньше 0.8 мм. Крепежный элемент вкручивают в корпус и прижимают. Монтаж упрощается, так как вначале шланг соединяют с краном, затем устанавливается шпилька и ввинчивается в раковину.
Но тонкие метизы не смогут обеспечить крепкого соединения, часто сборка не устойчива, болтается во все стороны. Чтобы устранить недостаток устанавливают 2 стержня с кольцевой прокладкой, заводят шланги, а кран ставят на место.
Для удобства чашу поворачивают таким образом, чтобы выполнять работу в нижней и верхней части, двумя руками. Резиновым уплотнителем герметизируют монтаж снизу. Форма шпонки должна совпадать с прижимной пластиной. Когда её надевают, навинчивают гайку на резьбу шпильки. После полного закрепления мойку устанавливают в столешницу.
Завершающая стадия
После проведения монтажа всех деталей, предстоит проверить герметичность соединений на отсутствие протечек. На трубы навинчивают подводные метизы, там должны быть резиновые уплотнители. Открывают водопроводную систему, собранный прибор тоже находится в подключенном состоянии. Когда воздух выйдет вентиль закрывают, следят за появлением капель. Влага проступает из-за ошибок в сборке, при плохой герметизации точек соприкосновения. Что бы решить подобные ошибки, поступаю следующим образом:
- кран разбирают и собирают по новой;
- создают плотное соединение в штуцерах, гайках.
Прокладкам свойственно быстро изнашиваться, если их вовремя менять не будет не только протечек, но и сохранится сама конструкция. Если метизы ржавеют, прежде чем откручивать, их обрабатывают антикоррозийным средством. Сильно крутить не нужно, больше использовать физическую силу рук и только, когда этого недостаточно применять гаечные ключи. Сейчас делают слабую резьбу, которую легко сорвать.
Чтобы сантехника служила долго без поломок, нужно постоянно следить за слабыми участками. Только надлежащий уход сможет обеспечить работу кухонного оборудования без проблем.


